| s⚻X | P | m?/a> |
K ?/strong> : 9027809900 ![]() |
||||||||||||||||||||||||||||||||||||||||||||||||||||||||||||||||||||||||||||||||||||||||||
|---|---|---|---|---|---|---|---|---|---|---|---|---|---|---|---|---|---|---|---|---|---|---|---|---|---|---|---|---|---|---|---|---|---|---|---|---|---|---|---|---|---|---|---|---|---|---|---|---|---|---|---|---|---|---|---|---|---|---|---|---|---|---|---|---|---|---|---|---|---|---|---|---|---|---|---|---|---|---|---|---|---|---|---|---|---|---|---|---|---|---|
![]() |
||||||||||||||||||||||||||||||||||||||||||||||||||||||||||||||||||||||||||||||||||||||||||
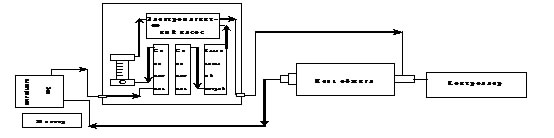
?? KZDL -4 e-sB u 尒 , O? u 尒 ? ?, ? ??P, D ? Eϔg?XBf? ?G, G, G, G e? ㏆? ue? sB e sBf ?KZDL , ?y? sBf u 尒 , ?? e??e ?su GB / T 214?996 ( X GB 214?3 ) . ?尒 ?I sB?P? ϔ II , ?y?II sB|? s?XE??O Xf?. ?G ?җ?җ, W?K? ܐ, ? ?, eE OX?, ? KZDL ? A . E?eXz E ? ?쏆? sI e? ?y?E ? , ?ϔ w K? |E Eϔ? 똁? ? ?XI? ?XI? P , sp e?? , ?. Xf? ej?GB/T214?996 ?? ?Xҗ?OWX 1. D s : 0.01-40% 2. Xf? XI?: 2-9 min ϔ? ?, ϔp E. 3. X?: ? X?1150℃±5℃ , X?O 0-1300℃ , K? ?. uf?? XAs?, ?X ??WDf? W ( :ø40/30×400 mm ), uu?PX?X?>90 쏆? 4.B ?: ϔ?P? ϔ?? sB I?O X? 35 ?X?O 1150℃ . 5. ?XI?: K???s? ϔ? 6.?XI?: K?X?E? O w?OX?. 7. : eXz? ? ?? Ï, . 8.a?: 똁 ?OX sB| O X? K??X?P ?. 9. : K? ϔ? 10. : ?suX? K? |E Eϔ? 똁? ? ?XI? ?XI? P , sp e?? , ?. 11.Jϔ : 220 V ±10% , 50 Hz
u 1. u 똁? k?? X? s?X?1150℃ ?s???㟙 ?, ?P , ? ? s?X?㎽ S O 2 ?ÏP?P SO 3 . C ; ~?( )+O 2 CO 2 ^+ H 2 O + SO 2 ^+ CI 2 ^+ 4 FeS 2 + 11 O 2> 2 Fe 2 O 3 + 8 SO 2 ^ 2 MSO 4 >2 MO +2 SO 2 ^+ O 2 ^ ( M X? җ? ) 2 SO 2 + O 2 > 2 SO 3 ^ E? SO 2 ?E?P SO 3 尒?Oϔ??O ??W , ?s X? H 2 SO 3 ?ÏP?P H 2 SO 4 , Pϔ? OX{? ܗ ?ܗg?W, sB ϔ?sB| ?ܗ, Og?s?e?ܗg?W ?s ϔg?┘? X? H 2 SO 3 . C ; ; 2I - ?e>I 2 Wϔ?; 2H + + 2e > H 2 ܗ H 2 SO 3 : I 2 + H 2 SO 3 + H 2 O > 2I - + H 2 SO 4 + 2H + ? O?p ?s ┘?u O? ܗ , ? ?P??尒 ?e?P ? . f , ? ?XI ? K?尒?? ?sI e?( % )
X sB B? X? ? P? X, P?? ?? . 1. X ? ??B? Ig?, I ? ( 0-1000?? ) ???. . ??( ?1 ). (1) I ?: O???? (2) ?; ?X? ?җe?, ??. s? - ϔ, t?P ? ?G ?P?? P, X ?s??? W. (3)I?: ? t , XIϔ?X ]I, O? u ?? ?P?G, K? , s, 1000 ??
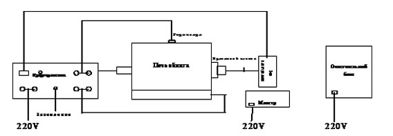
?1 : ?X?? 2. ?? ?? uX , sg?P, 3 f? P? X? ? u C s? 3. X ?I sB??W X O? PX , ?-2-?E ?f? 尒 - WDf? W , Φ40/30×200/160 . ? - WDfG җ, K PB O G PfG P? O?uE-җ sP? u ?Oz X? ?W җ X O? Pf? W (B W) , O??? - WDf , PX s? ?2.
?2 : ?PX? X 4. W ?? : ?┘? Bg?, X??400 ? ??җ җ?f ? f uWϔ? ? W ? PB ?A??揆I , ?P ?1×1.5cm 2 , җ? e ? P?? җ?Wϔ?e P?? u ϔ, tX? ܗ??, ??uWϔ ? 0.5×1.0cm 2 . ?K ?P?G D?? ?G G ?, Pϔ?sf?? ? s?B ?ϔ G, u ϔ, tX? ?P?, ? s? SO 2 ?ÏP?P SO 3 . ??┘?p?җ?wÏ, f??, O? W??? B ? Ig??500 XBef ? , ?ϔ w K?, ? B ?, X?ϔ ?똁? ? ? P??B, s?s w? uD?. O 1.x??: 5-40℃ 2. X ?: <85% 3. dX : B ?㟙 ??җe?? ?? E?1500 ??. 4. B ?Xj : ? 1000 ?? . Φ?尒 P??u? O e. m 尒 ? 2 e, 4 uWϔ 18 ] ?1 s. ?e? 4 , Pϔ?eXz X?尒. e? 5 ?, Pϔ?eXz ?Xf? ??. ?O?s e ? uWϔ? K?P ? B?]?O? u . P값g?s⚻X P?O e P ... ... ?eX O: 1. sB? X, W ? ?y? ??sX?XE?? ?e ?G4 u? . ?e ?G5 uE ? 2. ?PX? X Op?? ?2 O P K? xAs? P{??e? ?, X?? s, 2 mm ???. xAs?PX? ꎽ ?2 P K, O Ҍ? ??+ ?, ???- ? bp O? ? ┘? Jϔ 220 V O? ?2P K? O .
?4 : uE ( ?)
?5 : uE 䅏?( ?) 3. ?ϔ , O X?? X. JO ϔ ?, OB se s?500℃ ??PX? ( s 1150℃ ), X??PX? ?1150℃ , X O D? X? j? E : ?W?XAs?e??G җ, X? ϔ ?G ϔ?X?w, ?. ??PX??X??1150℃ , eXz? X?1050℃. I?P?X?X ?1050℃. ?O? sB? X? , ? P? ? j?? E .
E : ?Op W ┘? 4. ?? P? u esҗ XIf e e EW ?e?O? , ? ?O?? e O? sB| sX? , O ?c?G O????X, ?X? tX? ?e? If sf?W u esҗ XIf, e ϔ?A?PI ?PX?? e 1 Xk? 2 Xk?O尒 c??? tX?D? ?500℃ ?150℃. 5. W ┘??Xw?җ : eP??4 ? ? ? P??, s ??┘??? ?P? ? E, e ??sXP? 尒]?ϔ? X ? e Oϔ?? 1000 mL / min , X??se?] A?P?X ?P?┘?, Oϔ??䏆 w 500 mL / min , ϔ ????e?? ?se?, X sf? ? sw? 6. ef??u ┘?: 6 ?ܗg?W, 6 ?Iϔ W, ?250 ?G , X? 10 ???XG җe? ?u ┘?K?O g? O ?e P ?O ??? ?XI, f?PH ???s 1? , ϔ K?O, P?f?PH Ï 1 . A ?尒?XfE?XIf, K???sf?sX?똁 e?XIf, ?X? tX?eP OX{?f W ??W ?P?? KG . 7. a??u ┘???? , G u e B ? X?, ? 헿?P????w?s ?uD, ?uD?, X ]?尒]?┘? ?B ?, A ?, X?f?e. 8. 尒? Xj?XIf, ??, I ?Xj??PT?XI? ??O PT??尒 XI?G PG, p E XIf X?ϔ . 9. xg? 똁?: ( 1 ) 尒]?ϔ?, sB ?P ϔ . ( 2 ) ?尒]? , sf? ?җ. ?se?], e Oϔ??, s, 1000 mL / min . ?尒]?? e B ?. ( 3 ) A? OW X? O쏆? 1050℃ , e?尒]?┘? z ]?[2/┘] , sf?E 35 mv sw?┘?, Ï 35 mv , X Xf?e?XI? tX? ?┘? X?O? OW E ? 35 mv ( 4 ) m BfG ? ?50 ??, O?ϔ p?җ ?( E җ??), Bf ?O c?O, z ]?[] , ?? XI? f?z ]?[] , 폆? XfE XI? ? Xf?, X? e 500℃ ?1150℃ , ?s?? ?e ? D X XIf, O?X XIf ϔ?sB fE, ?s?? sgG, O?| c O??BfG ???Ow? suX??? 똁 P. ?X e? Oz_, ??XI? e?? ϔ? 10. ?D 똁? ]?尒]?┘? X??se?] ?]?, e ?┘? G ?sI??┘? X??X?. 11. 똁? wX, sf?e? A?똁?E? ϔ 尒?sfE? 똁?X ?Xw e?Xk? Xw?f: x? eXz? ?? e, ??? eXz? ?sI e. A?eXw ?sI e X + PX eXw ?E s???1. ?1
sBI: 1. B X sK? e O ?җ?? ???? ? ug?O, X ??OE?? ?, eu?e ϔ?, s?sB. 2. ?O ?G G ??? g?W, X O?sB. PX җ ?: ??( K?e? ), ?????g? , ?tX? W G ?, O WT ??e?G ?sef ?(5 ?Wg?IW ?10 ? , ?? O?KA? u ?100 ?P{f?G җe? , OA?OW ?O?尒?, OB 2? , җ?X?K?? ?G ??e , X????sI??┘? ??X e?җ G ? ? tX? ? , ? ? P?G, W? , ?? e?I ? I ? ??e?җ, X?f??җ?? ?I ]?A?P?X ?P?G X? , ϔ ? seՏ?f?? 3. O???G G ?I?OW, t?B OϔW 1000 ??, ? ? ? 1000 ?? , G ??P?E ? , K?sf? ?WP?E ?җ ? Ig? ????O? , WXf? W, WXf? sXW G җ, W ???? 4. K?s P???uWϔ ??┘?, 헿? P ]?尒]?┘? E? P? ┘?? uWϔ ?O ϔ p?ܗ, s ? ? ? uWϔ, ? P ?P{?s, ?s ?g? ?P? X s f DI. 5. X?z e XI??혁? OX? G ? W X O? uE-җ sP?, ?ϔu?3-4 쏆 , tX? uE-җfg?sW ef ? e җ X, P? e s??uE-җfI?s, ?? O ð ??sW, O 躈 ??, ?? ?I, ϔ?s ?PX?. 6. ?s O sB?? X? tX?W O ? X.O?? sҗ: ϔ? O? Pϔ eXz? ? OW? Err 1 s? XAs? f?s O XAs? Err 2 xAs?. f? ? u sf. Err 3 P? BI. f? sX B. P?p sw??, p sw? ?ì|? O? Err 4 ?B??ϔW ?O?? f? B? -WDf? W. ?-WDfG җ, se, y???suG G O? Err 5 X ?P?G. ?P? ?W , ?. Err 6 ?esҗ XIf. P?se?s?es XIf s???esҗ XIf ?? B. ?X җ O X :
ZNLRY-2000 W |
||||||||||||||||||||||||||||||||||||||||||||||||||||||||||||||||||||||||||||||||||||||||||
ܛ : 458030 䰒? ? fu mÏ, ? , ?a?āÏ, 41 x?: D ?? ? 001-86-392-2170277,3313798 : D ?? ? 001-86-0392-2170244,2172001 ? O f ?| X??X? ?"??quot; |